Sorteersysteem voor recycling glas
De uitdaging
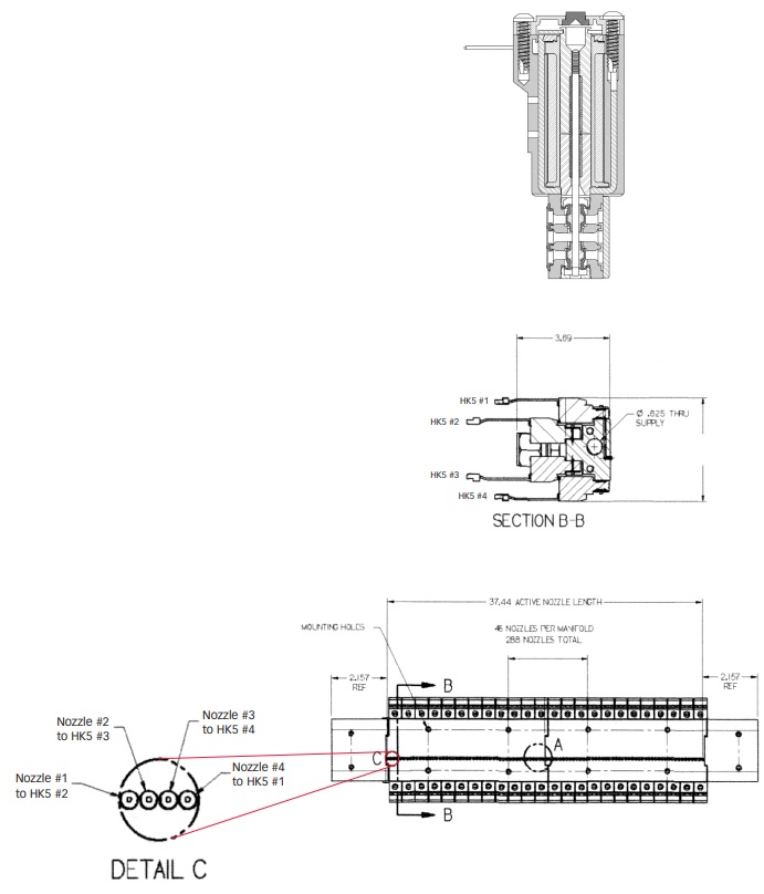
De klant bouwde een grootschalig systeem om gerecycled glas te sorteren op kleur en verontreinigingen, met behulp van optische detectie en luchtstralen. Tijdens het ontwikkelproces werd duidelijk dat een veel kleinere sproeiafstand nodig was voor optimale sortering. De uiteindelijke eis werd 0,120 inch (3,05 mm) tussen de nozzles, in combinatie met een zeer hoge schakelsnelheid en nul lekkage. Daarnaast moest het manifold ontwerp flexibel zijn in lengte voor verschillende machines en bestand zijn tegen hoge cycli zonder prestatieverlies.
Oplossing van Humphrey
Vanaf de eerste ontwerpfase werkte Humphrey’s Engineered Solutions-team samen met de engineers van de klant. Op basis van de beproefde HK5-klep werd een aangepaste versie ontwikkeld met hogere schakelsnelheid en langere levensduur, getest tot 100 miljoen cycli bij 90 psig. De kleppen werden in vier verticale rijen gestapeld, twee boven en twee onder de horizontale nozzlelijn. Speciale interne luchtkanalen in het manifold zorgden ervoor dat iedere klep zijn eigen nozzle aanstuurde. Het manifold werd modulair opgebouwd uit secties van 6 inch, zodat het eenvoudig verlengd kon worden voor grotere systemen.
Technische kenmerken klep
De gemodificeerde HK5-klep biedt een zeer hoge schakelsnelheid, nul lekkage en een lange levensduur, zelfs bij hoge cycli. Geschikt voor intensieve industriële processen, met een robuust ontwerp dat constant hoge prestaties levert. De modulaire manifoldconstructie maakt het systeem schaalbaar en eenvoudig aanpasbaar.
Het resultaat
De nieuwe manifold voldeed aan alle eisen: nauwkeurige nozzleplaatsing op 0,120 inch, hoge schakelsnelheid, nul lekkage en een verwerkingscapaciteit tot 24 ton glas per uur. Het modulaire ontwerp maakt het systeem flexibel inzetbaar in verschillende configuraties. Door de precisie en snelheid van het nieuwe ontwerp werd het sorteersysteem efficiënter, goedkoper in gebruik en beter presterend dan concurrerende oplossingen.
Lees meer over de HK5 klep op de Humphrey website:



